0
0
0
0
0
0
AA
AA
AD
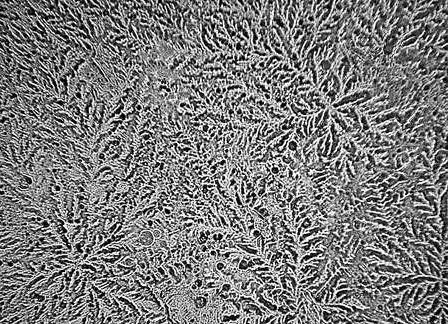
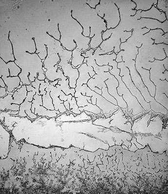
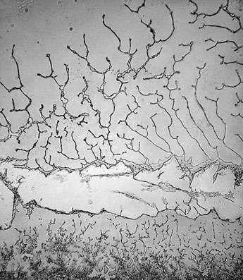
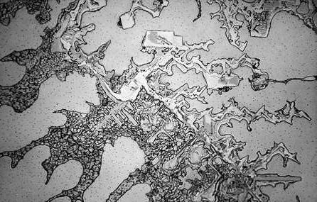
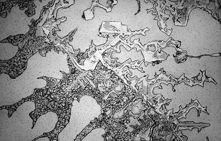
哭泣是人类的本能,每个人都会因为悲伤、喜悦、感动、甚至被洋葱呛到而流下眼泪,但你有没有想过,不同情绪所留下来的眼泪,竟然有着不一样的模样。美国有一位摄影师突发奇想,利用显微镜观察不同情绪所留下来的眼泪,竟然让她发现不可思议的结果。
美国摄影师Rose-Lynn Fishe和全世界所有的人都一样,曾因为喜怒哀乐而流过眼泪。有一天她突发奇想,人类因为不同的情绪流下眼泪,那眼泪的型状会因此不同吗?因此,她用了一年的时间,搜集了100多种不同情绪所流下来的眼泪,不管是拒绝、挫折、新生、哈欠等,将其风干,并纪录下它们在显微镜下的差异,并把这些字体称为 Tears。
Rose-Lynn Fishe表示,每一滴泪水都可能是一篇长篇小说,也可能是一个极短的故事的结晶,但不管如何,这个发现证明了世界上存在的每一个人,都是独一无二的个体。

喜极而涕的眼泪


变化的眼泪


悲伤的泪水


切洋葱流的泪


气候变化流的泪


阔别已久团聚后流的泪


开始和结束的眼泪


渴望解放的眼泪


释放的眼泪


希望的眼泪


兴高采烈的眼泪


回忆的眼泪
(责任编辑:肖凡)
(文章来源: 网络转载)
